Institut numerique

II-2 PRODUCTION DECENTRALISEE DE L’ENERGIE ELECTRIQUE POUR UNE CROISSANCE ECONOMIQUE LOCALE

Un des principaux défis auxquels les pays de la CEMAC doivent faire face est d’accroître le nombre de piliers de la croissance économique, en vue d’une part de réduire la vulnérabilité des économies face aux chocs externes et, d’autre part, d’accélérer la croissance économique. La production décentralisée d’électricité vient avec ses contrainte proposer une nouvelle vision en matiére de développement en partant des CTDs. La Production décentralisée d’électricité (PDE) aussi appelée production distribuée (calque de l’anglais), est la production d’énergie électrique à l’aide d’installations de petite capacité raccordées au réseau électrique à des niveaux de tension peu élevée : basse ou moyenne tension.

Au regard de cette forme de gestion des CTDs, reposant sur la délégation des services publics dans le secteur de l’ERD en un partenariat public/privé, à travers les subventions à l’investissement ou la participation à certains postes de dépenses de l’Etat, il faut donc créer des conditions d’investissement pour les entreprises privées.

Il importe ici de souligner que la mise en place d’un mécanisme de délégation (Fig 2.1) nécessite un cadre législatif fort, notamment pour la définition du cahier des charges et responsabilités de chacun des partis. En pratique organiser la gestion décentralisée des services énergétiques complet et durable à grande échelle en milieu rural dispersé est coûteuse et difficile car la gestion des contrats et appels d’offres entraînent des coûts de transaction élevés qui s’ajoutent au coût total du projet sans oublier les problèmes financiers et logistiques. Ceci nécessite de larges réseaux de compétences techniques pour l’installation, l’exploitation et la maintenance qui n’existent pas toujours et restent à développer [35].

Figure 2.1 : schéma institutionnel de délégation de la gestion d’électrification rurale

Source :De Gouvello (2002) [35]

2.2.1. Les techniques de production décentralisée de l’énergie électrique locale

Les centrales électriques de petites puissance sont chargées d’alimenter 5000 foyer par an. Ces centrales fonctionnent soit aux énergies renouvelables, donc hydraulique, solaire, éolien, biomasse, géothermie, soit au gaz naturel , voire même au diesel pour les installations dites dispatchables, c’est-à-dire activables très rapidement en cas de pointe de consommation. Les exploitants sont des petits acteurs privés, tels des industriels, des collectivités locales, des gestionnaires de bâtiment ou des particuliers. Malgré leur volume de production d’électricité d’ordre marginal, leur fonctionnement pour les besoin de service local est très important.

2.2.1.1. Les petites centrales hydroélectriques

Comme la géographie des sources d’énergie ne correspond en aucune façon aux frontières politiques, les sources d’énergie les moins chères et les plus propres d’une zone donnée peuvent se trouver de l’autre côté de la frontière plutôt que dans le pays même.

Beaucoup de marchés internationaux sont trop petits pour justifier les investissements nécessaires au développement des possibilités particulières de fourniture d’énergie. Réunir les marchés nationaux à travers le développement des (PCH) peut fournir l’économie d’échelle et peut aussi remédier à cela. La fourniture d’énergie transfrontalière offre une diversification beaucoup plus grande des sources d’énergie, un élément-clé de la sécurité énergétique. De façon moins tangible, mais tout aussi importante, le projet de développement de l’énergie jointe peut aider à tisser des liens plus étroits entre les pays à travers une collaboration et une interdépendance plus importantes.

Une PCH se définit comme une installation de production énergétique, d’une puissance inférieure à 10 000 kW. D’après l’UNIPEDE (Union Internationale des Producteurs et Distributeurs d’Energie Electrique) on classe les PCH en fonction de la puissance installée et on parle de :

– petite centrale pour une puissance comprise entre 2 000 kW et 10 000 kW,
– mini-centrale pour une puissance comprise entre 500 kW et 2 000 kW,
– micro-centrale pour une puissance comprise entre 20 kW et 500 kW,
– pico-centrale pour une puissance inférieure à 20 kW.

La Figure 2.2 présente les différentes composantes d’une PCH

Figure 2.2 : composantes d’une PCH

Quatre grandeurs caractéristiques permettent d’évaluer l’importance d’un aménagement hydroélectrique :

– le débit d’équipement,
– la hauteur de chute,
– la puissance de l’aménagement,
– l’énergie électrique produite.

Le débit d’équipement (Q) est le débit maximum susceptible d’être turbiné par la centrale, c’est-à-dire le débit maximum absorbé par toutes les turbines lorsque celles-ci fonctionnent ensemble à pleine puissance.

Il s’exprime en m3/s. La hauteur de chute brute (Hb) est la différence d’altitude, exprimée en mètre, entre le niveau de l’eau à la prise d’eau (cote de surface libre en eaux moyennes) et le niveau de l’eau au droit de la restitution. La hauteur de chute nette (Hn) tient compte des pertes de charge hydrauliques dans les ouvrages d’amenée et de restitution. La puissance est une fonction combinée du débit d’équipement et de la hauteur de la chute. Elle est exprimée en kilowatts (kW) ou mégawatts (MW).

On distingue habituellement :

– la puissance maximale brute qui exprime la puissance potentielle de l’aménagement Pb = 9,81 X Q X Hb (2.1)
– la puissance installée qui représente la puissance effective de l’aménagement Pi = 9,81 X Q X Hn X R (2.2)

R : rendement de l’ensemble turbine-générateur, lequel varie principalement entre 0,6 et 0,9 selon la puissance. L’énergie électrique produite indique la capacité de production d’un aménagement hydroélectrique. Elle dépend de la puissance installée et du régime du cours d’eau.

W = Pi X t X f

t = durée de fonctionnement de l’aménagement en heures,
f = coefficient lié aux variations saisonnières de débit pour des installations au fil de l’eau.

Les principales hypothèses de la modélisation économique et financière proposé par « intelligent Energy-Europe » dans le cadre du développement des PCH sont présentées ci-après :

– Charges d’investissement initial : les budgets d’investissements résultent de l’analyse des schémas techniques. Pour le calcul des amortissements, la durée de vie des équipements est indiquée prise comme suit : 15 ans pour le bâtiment de la centrale, 4 ans pour le Groupe, 50 ans pour le Génie civil des PCH, 25 ans pour l’électromécanique des PCH, 25 ans pour les réseaux, 15 ans pour les raccordements.

– Charges d’exploitation et de maintenance : les charges d’exploitation sont liées aux prestations assurées par le fermier. Elles se décomposent en prestations P1 et P2.

1. Les prestations P1 correspondent à l’approvisionnement en carburant pour les localités alimentées par groupe électrogéne et à l’achat d’électricité MT au réseau AES SONEL pour les localités raccordées. Les valeurs suivantes ont été retenues : 135 FCFA/kWh consommé pour l’alimentation par groupe, 47 FCFA/kWh consommé pour l’alimentation par réseau AES SONEL,

2. Les prestations P2 correspondent (a) au fonctionnement du du groupe électrogène, y compris approvisionnement en huile et consommables (b) à l’entretien du groupe et du réseau, et au suivi technique d’exploitation (c) au dépannage (d) aux conseils (e) à la gestion déléguée du service de l’électricité, émission et recouvrement des factures.

– La grosse maintenance périodique : la grosse maintenance périodique ne rentre pas dans la définition de P2. Son coût a été estimé à 1% / an du budget d’investissement des réseaux et à 5% / an du budget d’investissement des groupes. Dans le cas des petites centrales hydroélectriques, la grosse maintenance périodique a été estimée à 2% / an du coût de la partie électromécanique.

– Taxes et Douanes : les Taxes douanières comprennent (a) la TEC sur base du tarif extérieur commun qui varie suivant la catégorie du bien (10 ou 20% de la valeur CAF pour les équipements électriques), (b) un précompte (5% de la valeur CAF, réduit à 1% avec une carte de contribuable), (c) une taxe informatique (1,5 % de la valeur CAF), (d) une taxe SGS (0,95% de la valeur FOB), (e) d’autres taxes (ex-taxe ONPC : 1115 kg/tonne. Dans le calcul, elle a été estimée à 1% de la valeur CAF). En sus de ces taxes douanières, la Taxe sur la Valeur Ajoutée (TVA) a également été considérée au taux de 18,7%. La TVA s’applique sur la valeur imposable du bien. Dans le cas des équipements électriques, la valeur imposable est égale à la valeur CAF + la TEC.

– Extensions futures : au niveau de la distribution, les charges d’extensions futures ne concernent que des nouveaux raccordements : les nouveaux abonnés sont situés dans le périmètre desservis par le réseau initial. Il s’agit donc essentiellement de densification. Cette modélisation est simplificatrice car il est acquis que des extensions de réseau seront nécessaires sur la période de 15 ans, mais celles-ci desserviront des nouveaux consommateurs qui ne sont pas pris en compte dans les prévisions de la demande. L’extension des groupes diesel est prévue, par l’ajout d’un groupe diesel de même puissance. Cela permettra la standardisation des matériels dans une même localité. Les nouveaux groupes diesel sont installés toutes les 20 000 heures de fonctionnement. Cette valeur de 20 000 heures est réaliste pour les petits groupes s’ils sont correctement maintenus (< 60 kVA), et pourrait être révisée à la hausse pour les plus gros moteurs.

– Charges d’accompagnement, de suivi et de contrôle : idéalement, le prix de vente de l’électivité doit couvrir les frais de maîtrise d’ouvrage locale, ainsi que le coût d’appui / conseil dont pourra avoir besoin la maîtrise d’ouvrage. Le modèle intègre ces deux coûts, chiffrés à respectivement 1,0 et 2,0 FCFA / kWh. Il est vraisemblable que ces valeurs ne permettront pas de couvrir la totalité des frais de maîtrise d’ouvrage locale, qui devront être complétées par des ressources autres des Communes.

– Actualisation : l’analyse économique est effectuée sur une période de 15 ans, sauf dans le cas des PCH pour lesquelles la durée d’étude est portée à 25 ans. Les coûts sont actualisés, avec un taux d’actualisation égal à 5%.

2.2.1.2. L’énergie solaire au sein d’une collectivité territoriale décentralisée

Présente partout, l’énergie solaire est par nature locale. Produite par des panneaux solaires, l’énergie photovoltaïque est exploitée de multiples façons. On peut distinguer les installations autonomes et les installations raccordées au réseau. Les grandes centrales solaires de production sont installées sur des
toitures de grands bâtiments ou au sol, alors parfois dotés de suiveurs (« trackers » en anglais) solaires sur un ou deux axes afin d‘augmenter le rendement. La commune n’en est pas au sens strict producteur, mais elle peut, par son utilisation dans ses installations (éclairages publique, électrification des écoles ou lycées éloignés du réseau électrique), jouer un rôle d’incitation et de facilitation pour ses habitants faisant le besoin au sein de son service énergétique.

Les composants d’un système photovoltaïque raccordé au réseau sont :

Les panneaux photovoltaïques, les boîtiers de jonction, les convertisseurs/onduleurs, le compteur, et les autres composants (protections contre la foudre, fusible, disjoncteurs, interrupteur programmable). Le boîtier de jonction relie électriquement les différents panneaux entre eux (en série ou parallèle). Le compteur est nécessaire pour la revente de l’électricité.

Figure 2.3 : Schéma de principe d’une installation raccordée au réseau proposé par la société Apesud

Toutes ces ressources encadrés autours des lois applicables à tous ne devraient connaitre une applicabilité effective à condition que la collectivité trouves un intérêt réel de se développer et disposer d’une autonomie financière.

Un générateur photovoltaïque est constitué, sur le plan électrique, des composants suivants :

– Modules photovoltaïques
– Câblage DC (câbles, connecteurs, boîtiers de jonction éventuelles)
– Dispositifs de protection (fusibles, disjoncteurs, parafoudres, …etc)
– Dispositifs de coupure et sectionnement
– Onduleur(s)
– Contrôleur de charge
– Câblage AC
– Compteur(s) d’énergie

Pour un raccordement (Figure 2.3) à un réseau MT/BT des systémes de production à partir des PV, les potentiels opérateurs dans le secteur devraient specifier le type de branchement à effectuer parmi un panel de puissance : Puissance souscrite >250kVA avec une tension de livraison HTA (20kV) ; Puissance souscrite 36-250kVA avec une tension de livraison BT (230/400V) ; Puissance souscrite < 36kVA avec une tension de livraison BT (230/400V).

Figure 2.4 : raccordement au réseau MT des systémes de production PV

La Fig 2.4 ci-dessous illustre l’opportunité de la part du propriétaire de l’installation de vendre l’énergie produite. Pour une puissance de raccordement au réseau de distribution inferieur ou égale à 36 kVA, le disjoncteur de type AGCP avec fonction différentielle 500mA de type S assure la fonction de vente totale d’énergie électricité et à la consommation individuelle. Pour une puissance supérieure à 36 kVA devant être raccordée au réseau de distribution, un disjoncteur avec fonction différentielle, devra être installé à proximité du point d’injection en cas d’un raccordement en vente totale.

A. Etude de cas : Dimensionnement de centrales de production décentralisée par énergie solaire

La région de l’Est du Cameroun est popiste au développement des centrales hybrides c’est-à-dire solaires et groupe électrogène. Afin de tirer profit des équipements électriques producteurs d’énergie électrique à base de l’énergie fossile existent déjà dans la région, le jumelage à celui-ci des centrales solaire constituera une opportunité de renforcer la capacité de production du réseau de la région.

Lorsqu’on est vraiment très loin du réseau, des solutions d’extension ne sont plus envisageables pour alimenter les maisons ou même des villages isolés. La comparaison économique est alors faite entre plusieurs solutions d’électrification : un groupe électrogène (GE), une centrale hydroélectrique si le site le permet, une centrale à bois, une centrale solaire ou des générateurs solaires individuels. Le système (Annexe 6) reproduit la structure d’un système de génération électrique hybride, une partie de l’installation est alimentée par un système photovoltaïque, l’autre partie comprenant les éléments de fortes puissances est alimentée grâce à un groupe électrogène (G.E.). L’élément central de l’installation est un onduleur-chargeur connecté au panneau de contrôle non schématisé ici mais representé en (Annexe 5) qui gère pratiquement tout le transfert de l’énergie électrique, c’est à dire :

– La charge des batteries à partir des panneaux ou du 230 V AC généré par le G.E.
– La conversion de la tension continue de la batterie en 230 V AC destiné aux récepteurs.
– La surveillance des surcharges ou du bas niveau des batteries (dans ce cas démarrage automatique du G.E.)

Les services énergétiques qui alimentent ce modèle d’électrification découlent de trois sphères : les services Collectifs/Publics, les services domestiques, services productifs.

A travers la vulgarisation de l’usage des PV dans la région de l’Est il va apparaitre deux types de producteurs d’énergie : L’autoproduction est constituée de la production par groupe électrogène, par centrale photovoltaïque ou par centrale hybride (photovoltaïque/groupe électrogène) et le producteur électrique national.

Toutes les localités situées à une distance de l’ossature existante supérieure à (d) doivent être électrifiées avec la solution auto production la moins coûteuse ;

Toutes les localités situées à une distance inférieure à (d) doivent être interconnectées à l’ossature existante (ou celle née de la progression de ladite ossature).

Pour le développement de structures d’autoproduction, la conception et la planification du projet d’électrification rural s’appuie sur trois catégories-types de localités, “grands villages” de plus de 1000 habitants, “villages moyens” entre 500 et 1000 habitants et “petits villages” de mois de 500 habitants; ainsi que sur une typologie de consommateurs, les infrastructures sociales (type école, dispensaire, mosquée, etc…), l’éclairage public, le pompage et les autres usages moteurs. Les usagers de type commercial (commerces, services) sont considérés déjà pris en compte au sein des usagers domestiques.

L’électrification des consommateurs s’effectue soit par raccordement à un réseau classique de distribution (en principe en coeur de village), soit par système solaire individuel (dans les abords de village ou dans les communautés où la demande est excessivement faible et dispersée).

Dès lors qu’il y a réseau de distribution, celui-ci est alimenté par raccordement au grand réseau lorsque cela est économiquement viable, et sinon par autoproduction locale (prise en gérance ou rachat d’un équipement existant ou mise en place d’un groupe spécifique).

a) Calcules pour le dimensionnement d’une installation photovoltaïque autonome

Pour faire les bons choix quand on s’équipe d’une source d’énergie autonome, il est important de faire un bon dimensionnement. Pour une installation photovoltaïque autonome, il y a 6 étapes à respecter :

Etape 1 : La première d’entre elles consiste à déterminer le moment où vous avez besoin d’électricité, et à mesurer votre consommation. Cette étape comporte peu de calculs, mais demande relativement beaucoup de réflexion car une erreur à ce stade faussera vos résultats jusqu’à la fin. Si la consommation est surestimée, l’installation sera trop grande et vous coûtera cher. En revanche, si vous la sous-estimez, le matériel ne sera pas adapté et s’usera plus vite. Plus votre consommation est régulière, plus le dimensionnement sera simple.

Cas No1 : Cet exemple ne comporte qu’un seul cycle de consommation, de début juin à fin septembre. On peut considérer que la période de charge dure 8 mois (d’octobre à mai) et que la période de décharge dure 4 mois.

Il faut donc approfondir un peu, et se demander si quatre mois les habitants sont au même endroit ou s’il se déplacent durant cette période. Il faut également se demander à quelle fréquence est-il disposé à recharger les batteries (par le biais d’une borne ou de l’alternateur). Dans notre cas, les habitants restent rarement plus d’une semaine au même endroit en juin et septembre (ils font des visites, vont voir de la famille, …), mais ils passent la totalité de juillet et août au même endroit. Durant cette période, ils sont disposés à recharger leur batterie tous les 10 jours.

L’installation photovoltaïque autonome permettra d’alimenter l’éclairage, un poste radio, une petite télévision, un petit réfrigérateur et la recharge d’un téléphone portable :

Ampoule basse consommation : 11 W
Poste radio : 45 W
Télévision : 80 W
Réfrigérateur : 300 Wh par jour
Téléphone portable : 20 Wh par jour

Les ampoules sont au nombre de 3, mais elles ne fonctionnent pas toutes autant et en même temps. On peut cependant dire qu’elles sont utilisées en moyenne 2h chacune. La télévision est utilisée 2h par jour et le poste radio 5h. Les besoins quotidiens en électricité sont donc les suivants :

3 Ampoules x 11 Watts x 2 heures = 66Wh
1 Poste radio x 45 Watts x 4 heures = 180Wh
1 Télévision x 80 Watts x 2 heures = 160Wh
1 Réfrigérateur x 300Wh = 300Wh
1 Téléphone x 20Wh = 20Wh
TOTAL = 66 + 180 + 160 + 300 + 20 = 726 Wh par jour

En résumé, notre couple consommera 726Wh x 7j = 5082Wh par semaine en juin et septembre, et 726Wh x 10j = 7260Wh tous les 10 jours en juillet et août.
Cas No2 : Prenons l’exemple d’une habitation de montagne dont les propriétaires n’y séjournent que pendant les vacances.

Cette maison n’est habitée que ponctuellement, une semaine courant février, deux semaines début août et parfois une semaine supplémentaire (fin octobre / début novembre). Les cycles de consommation sont donc les suivants :

Charge du 15 novembre au 10 février (environ 85 jours)
Décharge en 1 semaine (7 jours)
Charge du 1er mars au 31 juillet (environ 150 jours)
Décharge du 1er août au 15 août (15 jours)
Charge du 15 août au 20 octobre (environ 65 jours)
Décharge en 1 semaine (7 jours)

Il n’est pas utile de compter le nombre de jour exact pour chaque période. Avoir une durée de charge un peu plus petite que la réalité permet de s’adapter aux aléas du calendrier (d’une année sur l’autre les dates des vacances changent).

L’installation photovoltaïque permettra d’alimenter l’éclairage de la maison, la recharge des appareils portables (téléphone et ordinateur), un poste radio ainsi qu’un petit réfrigérateur :

Ampoule basse consommation : 11 W
Téléphone portable : 150 Wh par semaine
Ordinateur portable : 300 W
Poste radio : 50 W
Réfrigérateur : 320 Wh par jour

Les ampoules sont au nombre de 8, mais elles ne fonctionnent pas toutes autant et en même temps. On peut cependant dire qu’elles sont utilisées en moyenne 2h chacune en Février et 1h en Juillet. L’ordinateur est utilisé 2h par jour et le poste radio 6h. Les besoins en électricité pour une semaine sont donc les suivants :

Février
8 ampoules x 11 Watts x 2 heures x 7 jours= 1232Wh
Téléphone = 150Wh
1 Ordinateur x 300 Watts x 2 heures x 7 jours = 4200Wh
1 Poste radio x 50 Watts x 6 heures x 7 jours = 2100Wh
1 réfrigérateur x 320 Wh x 7 jours = 2240Wh

TOTAL = 1232 + 150 + 4200 + 2100 + 2240 = 9922Wh par semaine Juillet

8 ampoules x 11 Watts x 1 heures x 7 jours= 616Wh
Téléphone = 150Wh
1 Ordinateur x 300 Watts x 2 heures x 7 jours = 4200Wh
1 Poste radio x 50 Watts x 6 heures x 7 jours = 2100Wh
1 réfrigérateur x 320 Wh x 7 jours = 2240Wh

TOTAL = 616 + 150 + 4200 + 2100 + 2240 = 9306Wh par semaine

En résumé, pour les vacances de février nous disposons de 85 jours de charge et 7 jours de décharge pendant lesquels nous consommerons 9922Wh. Pour les vacances de juillet nous disposons de 150 jours de charge et 15 jours de décharge pendant lesquels nous consommerons 9306 ×2 = 18612 Wh. Enfin, pour les vacances d’Octobre nous disposerons de 65 jours de charge et 7 jours de décharge pendant lesquels nous consommerons 9922Wh.

Etape 2 : Avec les données de la première étape, il vous sera possible de connaître la quantité de modules photovoltaïques nécessaires (2ème étape). L’ensoleillement varie selon la région et l’époque de l’année. Vous devez localiser votre installation sur une carte afin de savoir quelle quantité d’électricité vos modules peuvent produire. Une fois localisée, il suffit de relever le coefficient d’ensoleillement correspondant.

Les modules vont produire de l’électricité qui sera stockée dans les batteries pendant toute la durée de la charge. Mais ils vont également en produire durant la décharge. Le temps dont vous disposez pour produire toute l’électricité est donc égal à la somme des deux (en reprenant notre exemple de la première étape : charge/décharge en 1 jour, charge/décharge en 7 jours, ou charge/décharge en 105 jours). Il faut donc diviser vos besoins en énergie (deuxième résultat de la première partie: 250Wh par jour, 500 Wh en un weekend, ou 3750Wh en deux semaines) par la durée du cycle charge/décharge. Exemple :

250Wh / 1j = 250Wh/j
500Wh / 7j = 71,4Wh/j
3750Wh / 105j = 35,7Wh/j

Vous venez de calculer la quantité d’énergie que les modules doivent produire chaque jour. Pour connaître la “puissance crête” à installer, il ne reste plus qu’à diviser ce nouveau résultat par le coefficient d’ensoleillement.

Exemple pour Bordeaux en été, avec un coefficient qui est de 6

250/6 = 42Wc de modules
71,4/6 = 12Wc de modules
35,7/6 = 6Wc de modules

Dans les deux cas (utilisation continue et périodique), les calculs peuvent être affinés en tenant compte de l’inclinaison et de l’orientation des modules, ainsi que des pertes engendrées par la chaleur et le matériel. Nous vous recommandons de lire les articles consacrés à ces sujets.

Etape 3 : La première étape vous permettra également de calculer la quantité de batteries (3ème étape). L’énergie qu’il faut stocker dépend directement de la périodicité de votre consommation. Autrement dit, il vous faudra beaucoup moins de batteries si vous consommez un peu d’électricité tous les jours (consommation régulière) que si vous consommez tout en quelques jours (par exemple pendant les vacances), et cela même si dans les deux cas vous avez consommez la même quantité. Le calcul de la capacité des batteries.

Énergie stockée = (consommation pendant la décharge + pertes du système) – (production journalière des modules x nombre de jour de décharge)

L’énergie que doivent emmagasiner les batteries correspond à toute l’énergie produite par les modules pendant la période de charge. Quand les résidants consommeront de l’électricité, c’est à dire durant la période de décharge (les vacances), les modules continueront à fabriquer de l’énergie qui sera directement utilisée. Ce qui doit être stocké ne correspond donc pas à la consommation totale.

Pour connaître cette quantité, il suffit de multiplier le nombre de jour de décharge par la production moyenne du module à cette époque, et de soustraire ce résultat à la consommation totale :

Quantité = Consommation totale (en Wh) – (durée de la décharge (en j) × puissance du module (en Wc) × coefficient d’ensoleillement)

Vacances de février: 9922 Wh – (7 jours x 39Wc x 2,8) = 9166 Wh.
Vacances Juillet : 18612 Wh – (15 jours x 39 Wc x 4) = 16272 Wh.
Vacances de la Octobre : 9922 Wh – (7 jours x 39 Wc x 4) = 8830 Wh.

On peut constater que le choix du module avait précédemment était fait en fonction des vacances de février, mais cette fois, le choix des batteries doit se faire en fonction des vacances de juillet. En effet, c’est pour cette période que le plus d’énergie doit être stockée. Nous avons besoins d’une batterie (ou d’un ensemble de batteries) d’une capacité de 16272Wh minimum.

La capacité s’exprime davantage en Ampère-heure (Ah). Pour convertir les Wh en Ah, il suffit de les diviser par la tension du système. Le choix de la tension fait partis du dimensionnement, et nous ne l’avons pas encore décidé. Cependant, puisqu’il s’agit d’une installation de petite taille, nous allons faire nos calculs avec une tension de 12VDC (ce qui est très courant comme valeur). Le résultat est donc de 16272Wh / 12V = 1356Ah.

Quantité d’énergie théorique à stocker = production journalière des modules ×durée de la charge

Pour une utilisation régulière la capacité de la batterie vaut :

Pour finir, nous allons choisir une profondeur de décharge à ne pas dépasser afin de prolonger la durée de vie des batteries. Le meilleur compromis se situe entre 60 et 80% de décharge, sachant qu’il sera toujours possible d’aller au-delà en cas de problème ou de consommation inattendue (situation à éviter au maximum car elles se rechargent lentement). Au final, nous choisirons donc une batterie d’une capacité minimum de 1356Ah / 0,75 = 1808Ah.

L’autonomie et la profondeur de décharge n’ont pas vraiment la même fonction, mais elles permettent toutes les deux d’avoir une marge de sécurité en cas de gros imprévu. Il n’est donc pas nécessaire de les cumuler. Par exemple, si on choisit une autonomie de 4 jours dans le cadre d’une utilisation continue, la profondeur de décharge ne dépassera jamais 20% étant donné qu’il y aura toujours 4 jours d’énergie stockée d’avance. En cas de problèmes, il n’est pas dramatique de vider entièrement les batteries à partir du moment où cela reste relativement rare. Pour les installations dont l’utilisation sera périodique (weekend, vacances), la profondeur de décharge peut également servir de réserve d’urgence et remplacer l’autonomie. En effet, rien n’empêche la batterie de se vider complètement : la profondeur de décharge n’est qu’un seuil que l’on choisit de ne pas dépasser dans le cadre d’une utilisation normale.

Jusqu’à présent nous avons utilisé le Wh comme unité dans nos calculs, mais la capacité d’une batterie s’exprime davantage en Ampère-heure (Ah). Pour convertir vos résultats, il suffit de les diviser par la tension des batteries :

Etape 4 : La quatrième étape a pour objectif de dimensionner le régulateur de charge. Cette étape ne comporte aucun calcul, mais il existe une grande variété de régulateurs qui diffèrent selon leurs options, leurs fonctions et leur puissance. Il faudra donc prendre le temps de consulter et de choisir sur le marché celui qui sera le mieux adapté à votre situation. Il existe deux types de régulateurs : les régulateurs de charge, et les régulateurs de charge/décharge.

Etape 5 : Le choix du convertisseur de courant est la cinquième étape. Il s’agit avant tout de savoir si cet appareil vous est indispensable ou non. En effet, votre installation peut déjà fournir du courant continu 12, 24 ou 48VDC, et certains appareils fonctionnent avec du 12VDC. Il n’est peut être pas nécessaire de transformer votre courant continu en alternatif. Le convertisseur de courant se dimensionne en fonction de plusieurs critères :

– La tension d’entrée : c’est la même que la tension des batteries ou du régulateur (12, 24 ou 48V DC).
– La tension de sortie : nous utilisons du 220/230 VAC, 50Hz.
– La puissance nominale : c’est la puissance dont les appareils qui consomment votre électricité ont besoin pour fonctionner de façon “normale”. Pour connaître cette puissance nominale, il suffit de faire la somme des puissances des appareils électriques. Il faut toujours choisir un convertisseur dont la puissance est légèrement supérieure à celle des appareils.
– La puissance maximale : l’onduleur est capable de fournir une grande puissance sur un court laps de temps (généralement 2 ou 3 fois la puissance nominale). Cette particularité est utile pour les appareils qui possèdent un moteur (réfrigérateur, micro-onde, lave linge, …), car leur consommation augmente très fortement lors du démarrage. En général, si vous avez correctement dimensionné la puissance nominale, la puissance maximale est suffisante.
– Le rendement : Une partie de l’électricité transformée est consommée par le convertisseur de courant (entre 80 et 95% de l’énergie est restituée). Il est important de contrôler ce rendement, sachant qu’un bon produit se situe autour de 90%. De plus, la plupart des convertisseurs consomment de l’énergie même lorsqu’ils ne fonctionnent pas. Heureusement, certains sont équipés d’un système de marche/arrêt qui permet de grandes économies dans les petites installations photovoltaïques.

Etape 6 : Enfin, le dimensionnement de votre installation photovoltaïque autonome sera terminé lorsque vous aurez calculé la section des câbles électriques transportant l’énergie (6ème étape). Une section trop petite augmente la résistance et la température du câble, ce qui réduit la puissance de l’installation. Pour assurer le transport de l’énergie des modules jusqu’au régulateur de charge, on ne peut pas utiliser n’importe quel câble électrique. Les câbles solaires sont étudiés pour résister aux conditions spéciales liées à leur utilisation. Ils sont les seuls à pouvoir assurer une longue durée de vie (supérieure à 30 ans) tout en minimisant les pertes d’énergie. Les câbles ordinaires, même s’ils sont conçus pour un usage extérieur, ne supportent pas aussi bien les variations de température (pouvant aller de -20°C à 80°C à proximité des modules), ainsi que l’exposition aux rayons ultra violets et à l’ozone. Tout cela en restant souples et maniables. Ils sont équipés dans la majorité des cas d’une double isolation et ne possèdent pas de substances inflammables (halogène) ce qui accroît leur sécurité.

Pour faire ce dimensionnement, nous avons besoin de connaître l’intensité du courant qui circule dans ces câbles. Nous savons déjà qu’entre le module et les batteries, il ne peut y avoir plus de 3A. C’est le maximum que peut produire le module, et c’est la capacité que nous avons choisis pour le régulateur. Nous savons également que la puissance entre les batteries et les appareils électrique est de 630W maximum (lors des pics de consommation), soit 630/12 = 52,5A. Nous avons dimensionné l’onduleur pour cette intensité.

La configuration de l’installation photovoltaïque autonome est la suivante : les modules se trouvent à 5 mètres de l’habitation de montagne, pour profiter d’une bonne exposition. Les propriétaires ont prévu de placer le régulateur, les batteries et l’onduleur dans leur sous-sol, à proximité les uns des autres. Il y aura donc 8 mètres de câbles entre le module et les batteries, plus 2 mètres entre les batteries et l’onduleur. Le but est de réduire les pertes à moins de 3% de l’énergie produite (maximum conseillé).

Section du câble module/batteries :

La puissance du module étant de 40Wc, on ne doit pas dépasser 1,2W de pertes. En appliquant la formule P = R x 2 x I², on obtient 1,2 = R x 2 x 3² , soit R = 0,067 Ω . La résistance du câble ne doit pas dépasser 0,067 Ω.

Il ne reste plus qu’à calculer la section du câble offrant une résistance inférieure à 0,067 Ω . En utilisant l’équation R = ρ x L / s, on obtient 0,067 = 17×10-9 x 8 / s, soit s = 2.04 mm². C’est une section petite, et on trouvera aisément dans le commerce une section de ce genre, voir beaucoup plus grande (4mm² par exemple, ce qui divisera les pertes par 2). Il n’est donc pas nécessaire de modifier les caractéristiques de l’installation, en produisant du 24Vdc au lieu de 12Vdc.

Section du câble batteries/onduleur :

Il faut suivre exactement la même méthode, avec de nouvelles données : L’onduleur tolère jusqu’à 630W. Par conséquent, on ne doit pas dépasser 18W de pertes (3%). En appliquant la formule P = R x 2 x I², on obtient 18W = R x 2 x (52,5A)², soit R = 0,0033 Ω . La résistance du deuxième câble ne doit pas dépasser 0,0033 Ω.

En utilisant l’équation R = ρ x L / s, on obtient 0,0033 = 17 x 10 – 9 x 2 / s, soit s = 10,41 mm². C’est une section assez importante et relativement coûteuse, mais nous n’en avons besoin que sur une courte distance (2m). De plus, il est peu probable que le courant atteigne une telle intensité puisse qu’il faudrait que tous les appareils soient en fonctionnement, et qu’il y ait une pointe de consommation du réfrigérateur. Il n’est donc pas nécessaire de changer la tension que nous avions prévu dans les autres étapes du dimensionnement, mais nous approchons de la limite.

Continuons notre exemple avec notre couple de retraités qui voyage en camping car de juin à septembre. Nous avons obtenu de la première étape les données suivantes : en résumé, notre couple consommera 5082Wh par semaine en juin et septembre, et 7260Wh tous les 10 jours en juillet et août. Calculons maintenant la puissance du module à installer.

Connaissant l’ensoleillement heureusement, ont tendance à rechercher le soleil. Ainsi nous avons les coefficients d’ensoleillement minimum dans différentes régions géographiques comme il suit : 4,1 en juin, 4,4 en juillet, 4,1 en août et 3,8 en septembre. Coefficient d’ensoleillement minimum du Cameroun est estimé en juin : 3,4 Puissance des modules

Nos retraités consomment chaque jour 726Wh. C’est donc, en théorie, ce que devrait produire le module pour couvrir leurs besoins et stabiliser les réserves d’énergie. Pour cela, le coefficient le plus faible étant celui de la Belgique avec 3,4 , il nous faudrait un module de 214Wc ( = 726 / 3,4 ). Cependant, il n’y a pas assez d’espace sur le toit du camping car pour un module de cette taille. En général, on utilise des modules de 150Wc, voir 200Wc grand maximum. De plus, l’utilité de la batterie serait fortement réduite si on ne s’en servait pas pour stocker l’énergie produite pendant les déplacements. Nous choisirons donc un module de 150Wc.

Production quotidienne de ce module 150Wc :
En juin en Belgique : 150 x 3,4 = 510Wh
En juin dans le sud : 150 x 4,1 = 615Wh
En juillet dans le sud : 150 x 4,4 = 660Wh
En août dans le sud : 150 x 4,1 = 615Wh
En septembre dans le sud : 150 x 3,8 = 570Wh

Exemple résumant le dimensionnement d’une installation photovoltaïque autonome

Pour un site isolé, il est très important de bien connaître ses besoins afin de bien dimensionner le système.
Nous trouvons la consommation journalière de l’habitation : 1344Wh/jour
Puissance des modules nécessaires : Pm=1344 x 0,85 = 1142,4 Wc
Le coefficient d’ensoleillement est 0,85 pour la ville considérée.
Si on choisit des modules de 100 Wc, alors il faudra 12 modules soit 1200 Wc. (environ 6 000 €)
Ce sont des modules de 12V et 7,16A.
Imaginons que nous mettons ces 12 panneaux en parallèle : soit 12 branches et donc 12 x 7,16 = 86 A
Il n’existe pas de régulateur correspondant à cette intensité.
Imaginons que nous mettons ces 12 panneaux en série : soit 1 branche donc 12 x 12 = 144Vc Ce n’est pas
possible pour un site isolé, car il faut limiter le voltage afin de limiter les pertes dans les câbles.
En site isolé, on ne peut pas dépasser 48V. (12V ou 24V ou 48V).
On décide donc de mettre 2 modules en série soit 6 branches. Cela fait donc 24V et 6 x 7,16 = 43 A
Il faut des batteries de capacité : Cb = 373 Ah soit Cb = (5 x 1344Wh/j)/(24V x 0,75)
On a des batteries de 175Ah et 12V à notre disposition.
Afin de respecter les 24V, il faut mettre 2 batteries de 12V en séries. On met également 2 séries de batteries en parallèle soit 175 x 2 = 350Ah.
Il faut toujours sous dimensionner les batteries par rapport aux panneaux. On est donc bien inférieur à 373Ah.
On va donc utiliser 4 batteries (environ 1000 €).
On utilisera un régulateur de type 60A et 24V. Il faut absolument que l’intensité du régulateur soit supérieure à l’intensité du système isolé. (240 €)
Attention aux sites isolés en 48V, en effet il existe peu d’équipements en 48V. Le 48V est préconisé pour les grandes longueurs de câbles.

Les prix sont des ordres de grandeur afin de donner une idée au lecteur. En aucun cas ces calculs ne peuvent être utilisés tel quel pour un dimensionnement.

b) Calculs pour dimensionnement d’une centrale solaire

Figure 2.5: La carte représente la terre divisée en cinq catégories à différents facteurs régionaux d’ensoleillement

Source SIEMENS

Figure 2.6 : schéma électrique de principe d’une installation PV raccordée au réseau [40]

Pour des solutions économiquement adaptées aux besoins d’industrialisation, des systémes intégrés (Fig 2.6) de poste de transformations préfabriqués adaptés aux fonctionnement par PV, constitué de deux enveloppes en béton préfabriqué raccordées ensemble, l’une contenant la partie Basse Tension (boîtes de raccordement BT, onduleurs, filtres…) l’autre contenant la partie HTA (tableau HTA, transformateur…).

Facilitent l’installation des centrales PV. L’un des avantages de ces postes est qu’ils sont faciles d’accès et le contrôle peut être effectué à distance à partir d’une connexion internet.

Figure 2.7 : Schéma électrique d’une centrale PV avec poste integré [41]

Le compteur d’énergie spécifique avec affichage est mis en place à la sortie du ou des onduleurs dans le cas de la vente d’énergie excédentaire. Le compteur interne à l’onduleur permet d’enregistrer le cumul d’énergie fournie par le générateur photovoltaïque. Le compteur d’énergie externe est optionnel dans le cas
d’une vente d’énergie totale dans la mesure où le comptage de production est également effectué par le distributeur.

Une centrale photovoltaïque peut être installée sur terre, sur les toits ou les mûres d’habitats. Mais pour tirer grandement profit de l’ensoleillement, il importe de disposer les PV selon un certain angle et à des distances comme illustrées en Figure 2.7 . L’expression ci-dessous nous permet d’estimer la position optimale de nos panneaux solaires.

Les Production photovoltaïque pour des puissances >250kVA necessitent des études très minuscieuses et des équipements adaptés à la fonction de production devant être exécutée. Pour cette raison nous prenons le cas d’un branchement de plus de 24 modules. Cette production est répartie en parallèle sur des postes satellites (onduleur-transfo) d’une puissance de 12MW. Cette architecture ci-dessous de branchement des PV réalisée permet d’avoir le meilleur compromis (cout, ergonomie et facilité de construction, maintenance, supervision).

B. Schéma de câblage des panneaux solaires

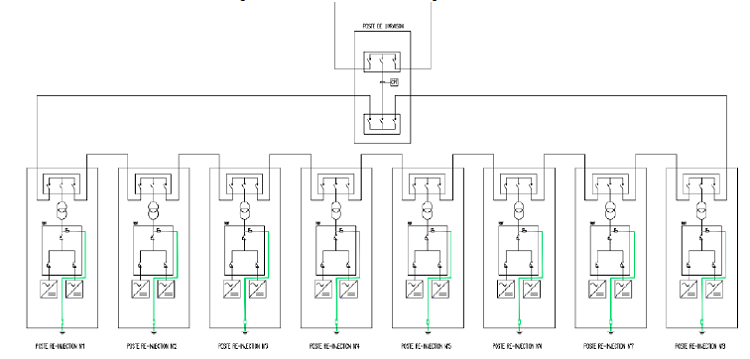
Figure 2.8a : raccordement des PV au poste de livraison No1

Figure2.8b : mode de câblage des differents postes de livraison (N+1) avec N=7 au poste de livraison principal

L’architecture générale de la partie HTA (Figure 2.8a, 2.8b) de cette centrales illustre en Figure 2.8a le mode franchement d’une centrale PV à un poste de livraison. Sur la Figure 2.8b nous présentons le mode de raccordement d’un poste (Fig 2.8a) à d’autres postes de livraisons similaires disponibles dans la centrale PV. Un câblage en boucle est préféré à un câblage en artère. Le chapitre suivant expliquera mieux les modes de raccordement.

Figure 2.9 : disposition des PV par rapport aux rayons solaire.

2.2.1.3. Gestion énergétique au sein d’une collectivité territoriale décentralisée

La politique énergétique national du Cameroun définie dans PDSE à l’horizon 2030 représente une vision générale du potentiel de production électrique du Cameroun ainsi que la consommation des grandes entreprises installées sur l’ensemble du territoire. Mais un problème se pose dans le cadre d’une politique régionale ou locale énergétique de gestion des CTD. La nécessité de la mise en place de stratégies conduisant à l’élaboration d’un plan de développement énergétique spécifique à chaque commune permet :

– Maîtrise de l’énergie dans le patrimoine des collectivités,

La somme des factures d’énergie d’une collectivité représente entre 5 et 10 % de son budget de fonctionnement, et plus de 10% si on déduit des frais de personnel de la collectivité. Par ailleurs leurs services industriels et commerciaux (station d’épuration, installations de traitement des déchets,…) sont également des gros consommateurs. Au regard de cette situation, la maîtrise de l’énergie semble important pour le développement durable de la collectivité territoriale.

– Création d’un département en charge de problémes énergétique

La fonction de responsable énergie au sein du service énergie de la commune, devrait exister et être occupée par une personne dotée de compétences en matière de maîtrise de la consommation énergétique et de gestion financière. Afin d’effectuer un ratio entre ces deux éléments conduisant à l’élaboration d’un bilan annuel et d’indices de performance dans une collectivité car c’est un vrai métier, à la fois en termes de technique, de gestion et en termes de communication vis-à-vis des utilisateurs des installations municipales.

Cet énergéticien(e) communal(e) aura pour fonction le suivi des consommations, le choix des sources d’énergie adaptées au tarif raisonnable, le suivi technique des installations, la formation des utilisateurs, la mise en route et l’évaluation des actions et travaux. Selon les cas, il sera intégré aux services techniques où il aura une fonction plus horizontale et proche des élus.

En effet à travers ce métier, on observera l’ouverture des marchés élargie aux services énergétiques au sein des communes et qui poussera bon nombre de collectivités à réfléchir sur leurs consommations d’hydrocarbure et d’électricité et sur leurs relations avec les fournisseurs historiques par exemple AES-Sonel et autres. Le lancement de ce type d’appels d’offres est une occasion unique pour la collectivité de se poser les bonnes questions : Quels sont les besoins de la collectivité ? Comment peut-on les maîtriser ? Combien cela coûte ? Peut-on imposer une part d’électricité verte ? Peut-on déterminer un objectif d’économies d’énergies ? Pourrait-on produire soi-même cette énergie plutôt que de l’acheter à un fournisseur ?

Ce métier peut difficilement se rentabiliser sur une seule commune. C’est là que la compétence communautaire prend tout son sens. La communauté peut créer, selon sa taille, un service énergie ou un responsable énergie, dont la fonction sera de mettre en place une politique de maîtrise de l’énergie pour l’ensemble des bâtiments et éclairages publics du territoire, qu’ils soient sous gestion communale (écoles, mairies, équipements sportifs,..) ou sous gestion intercommunale. Ce peut être une valeur ajoutée par la communauté pour aider les communes à gérer l’énergie dans leur patrimoine, chacune restant ensuite maître des travaux à effectuer.

– Développement des énergies locales,

La production d’énergie par les collectivités territoriales ne date pas d’hier. Depuis plusieurs décennies, dans les pays développés, elles ont installé ou participé à l’installation de chaudières au bois, de capteurs solaires thermiques et photovoltaïque, ou de microcentrales hydrauliques, incinéré les déchets, valorisé du biogaz de station d’épuration.

Avec la politique de décentralisation menée au Cameroun, les CTDs se doivent de plus d’ingéniosité afin de bénéficier des financements disponibles pour promouvoir les EnRs. Le développement d’énergie local au Cameroun n’est pas nouveau. La preuve dans la région de l’Est par exemple, certaines collectivités territoriales isolées du réseau électrique du fournisseur d’énergie AES-Sonel sont électrifiés mais les coûts de fonctionnement sont énormes car les machines électriques utilisent des sources d’énergies fossiles pour produire l’électricité. Au regard de cette technique de production d’énergie électrique, Plusieurs activités municipales peuvent être productrices d’énergie à partir des ressources locales. Les communes sont souvent promotrices des énergies moins couteuses à long terme et résidant dans les EnRs qui, sans leur intervention, resteraient inemployées :

La création des sociétés d’Etat telle que l’AER et autres constituent un nouveau cadre d’expression légale des communes pour le développement des énergies renouvelables. Dans ce cadre, la collectivité peut produire elle-même pour la vente ou pour l’autoconsommation, ou faciliter les conditions de production par d’autres acteurs locaux (habitants, entreprises, associations, coopératives agricoles, écoles, lycées…).

Plusieurs activités municipales peuvent être productrices d’énergie à partir des ressources locales. Les communes sont souvent promotrices de ces énergies qui, sans leur intervention, resteraient inemployées.

La collecte et traitement des déchets au sein de la commune constituent une ressource énergétique à valoriser. Elles conduisent à la production du biogaz et la méthanisation des déchets ce qui limite la déforestation, ceux-ci nécessaires à la cuisson des aliments des populations résidentes de la collectivité, leur incinération ou la thermolyse permettent la production d’énergie électrique propre.

Les petites centrales hydroélectriques au sein des communes peuvent être développées au sein de communes qui disposent de cours d’eau ayant une dénivellation importante.

Le bois de chauffage des communes forestières représente une source d’énergie à valoriser à travers les déchets issus de l’industrie du bois (sciures, écorces, chutes…). De nombreuses lois existent et imposent les exploitants forestiers locaux à traiter sur place une partie du bois coupé sur place, les déchets émis pour les raisons de protection de l’environnement, doivent être incinérés, et ce gisement de déchets constituent une source de revenue communale pouvant être revendue aux entreprises de recyclage des matières organiques.

– Distribution des énergies des réseaux,

Au Cameroun la distribution d’énergie au sein des populations est réglementée. Pour cette raison, la distribution du Gaz et de l’électricité sont réglementés par des lois visant à protéger le consommateur. Pour le moment il existe un monopole sur le marché de l’électricité assuré par AES-Sonel, mais le marché des hydrocarbures est ouvert et permet aux opérateurs d’intégrer le marché qui les semble opportun.

– Déplacements, Urbanisme et Aménagement du territoire,

L’urbanisme et les déplacements font en général partie des compétences communautaires. Les choix qui sont faits en ce domaine sont déterminants sur les consommations d’énergie des habitants du territoire. Autant le constat est évident, autant les moyens d’action sont difficiles à mettre en oeuvre. Les communautés doivent mener une réflexion approfondie.

En matière de déplacement, les moyens de transport en commun (taxi, bus, moto…etc) sont une source de revenue aux différents communes car les stationnements aménagés pour eux doivent être payant.

Les choix en matière d’urbanisme ont des conséquences importantes en matière de consommation énergétique. En matière d’aménagement, on peut dire que l’urbanisme d’aujourd’hui représente les consommations et émissions de demain et ce, pour longtemps au vu des durée de vie des bâtiments

– Sensibilisation et incitation des populations,

Pour convaincre les habitants et les opérateurs économiques, l’exemple de la collectivité est un préalable. L’animation passe d’abord par la valeur d’exemple d’une bonne gestion énergétique du patrimoine municipal et par une gestion efficace des délégations de service public de distribution (d’eau, d’hydrocarbure, d’électricité) à travers la dotation par les communes d’un plan de développement énergétique disposant tous les renseignements conduisant à une planification programmée des projets de développement énergétique de la commune.

2.2.2. Implication de la CTDs à la production décentralisée de l’électricité

Parfois, les solutions décentralisées sont plus rentables que (Figure 2.10 ) les solutions centralisées . C’est le cas par exemple lorsque la distance du site rural au réseau national est importante ou encore lorsque l’Etat favorise ce type d’installation, en instaurant des mesures favorables aux bénéficiaires (populations concernées et communes rurales).

Figure 2.10 : Synoptique vers les choix des réseaux électriques décentralisés

Dans un contexte de décentralisation, il importe de définir une stratégie d’implantation de la solution envisagée pour une responsabilisation des activités par toutes les parties prenantes en faisant une distinction entre l’entité qui offre le service énergétique et celle propriétaire des moyens et infrastructures. Si l’on prend comme critère de distinction, la propriété des infrastructures, nous pouvons envisager quatre cas possibles :

1) Le service électrique est assuré par une entreprise publique : c’est la forme de propriété la plus courante, où l’Etat doit rendre compte de sa gestion dans le cadre de contrats-plan ou de contrats-gestion.
2) L’Etat est propriétaire, mais l’exploitation est sous-traitée au secteur privé : ce dernier est souvent chargé de l’entretien et de l’exploitation de l’équipement, voire dans certains cas de la construction de l’infrastructure (gestion déléguée de type concession).
3) Le service privé est propriétaire des infrastructures mais son activité est réglementée.
4) Le service qui est assuré par la communauté et l’usager qui sont propriétaires ou pas des équipements. Cette solution est privilégiée lorsque les services publics ne permettent pas la satisfaction de tels besoins.

Bien sûr, ces quatre situations ne sont pas exhaustives mais permettent de dresser les cas les plus courants. La capacité de mobiliser des financements adéquats pour le développement de services apparaît à chaque fois indispensable.

Plus que jamais, la nature du développement de l’électrification rurale décentralisée dans les pays d’Afrique passe par le soutien de l’Etat, ses partenaires au développement et des ONG. L’Etat oeuvre pour assurer la cohérence des schémas d’électrification, leur programmation, et surtout leur concrétisation en renforçant la législation et la réglementation. Celui-ci intègre la dimension économique par la mobilisation des forces économiques, sociales et administratives de la nation pour résoudre les problèmes qui se posent. Avec l’accroissement de la défaillance de l’Etat dans des domaines dont il avait traditionnellement la responsabilité, les ONG, les acteurs privés et les organismes multilatéraux se sont spécialisées dans leur soutien aux « petits projets énergétiques participatifs », se démarquant ainsi de l’approche technicienne et productiviste des grands projets de coopération publique. « Le petit projet » est conçu comme un outil de promotion de solutions énergétiques décentralisées, outil initié par les acteurs de base (bottom up decisionmaking).

L’accès à l’électrification rurale demande à effectuer des choix technologiques appropriés. Les critères de sélection de ceux-ci sont les suivants :

– Gamme de puissance souhaitée
– Ressource disponible
– Gestion des intermittences
– Impact environnemental
– Difficulté de mise en oeuvre, modèle de gestion
– Cout d’investissement et d’opération
– Conflits d’usage

L’accès sans discrimination à l’électricité est un des objectifs de la coopération internationale. Pour y parvenir, de nombreuses options techniques et organisationnelles maîtrisées parfaitement existent :

i. La localisation des populations concernées par rapport au réseau national Basse Tension (BT) et ou Moyenne Tension (MT)
ii. Le pouvoir d’achat des populations concernées, qui déterminent le choix des solutions techniques les mieux adaptées.

Pour une meilleure compréhension des options techniques envisageable en fonction de la localisation des populations il importe d’effectuer un choix judicieux (Fig 2.11). Le guide de sélection des techniques d’électrification rurale approprié à un contexte donné proposé ici n’a pas l’ambition d’être exhaustif et chaque solution regroupe plutôt une famille d’interventions, qui se distinguent par l’organisation du service ou de la délégation, le choix de la source d’énergie localement la plus adéquate, le pouvoir d’achat des populations… etc.

Fig 2.11: Le guide de sélection des techniques d’électrification rurale approprié. Source René Massé dans ‘‘Promoting Rural Decentralized Electrification in Africa : Best Pratices Paper’’ ESMAP publication, 2000.

Parmi le large éventail de solutions techniques, on distingue les systèmes individuels d’électrification (SIE) et les systèmes collectifs (SEC).

– Les systèmes individuels d’électrification(SIE), comme les installations photovoltaïques, les groupes électrogènes individuels…etc. n’ont de perspectives durables que lorsque l’installation d’un réseau électrique local est impossible, en particulier lorsque l’habitat est très dispersé. Un système d’électrification collectif (SEC) distribuant l’électricité à travers un réseau électrique local leur est alors le plus souvent préférable.
– Un réseau électrique local n’a, lui d’intérêt que lorsque le raccordement au réseau électrique national est impossible, en raison en particulier de la distance de l’agglomération au réseau.

On a pris l’habitude ces dernières années à cause des développements technologiques dans le domaine des énergies renouvelables de distinguer, parmi les options d’ER, les solutions dites ‘‘décentralisées’’. L’Electrification Rurale Décentralisée (ERD) ne se réfère pas seulement à des choix technologiques (réseau ou hors réseau) ou géographiques (urbain ou rural). Cette nouvelle conception de l’ER se réfère le plus souvent à la production locale de l’électricité mais aussi surtout à la décentralisation de la décision d’entreprendre et de générer un schéma d’électrification, qu’il soit raccordé au réseau ou non, en zone rurale ou périurbaine.

Des facteurs critiques doivent être pris en compte dans le montage durable des projets d’électrification rurale décentralisée : choix de technologie ; garantie de l’accessibilité ; considérations sociales et environnementales ; opportunités d’activités productives … Aussi, des principes doivent être suivis à cet effet. (Confère Banque Mondiale, Novembre 2008) [27].

Une fois la décentralisation envisagée implantée dans la collectivité territoriale grâce à l’essor de l’électrification rurale décentralisée, les populations déjà certaines que le développement local passe par leur capacité de regroupement et de bénéficier des moyens mises à leur disposition demanderont une reconstitution (Tab 2.2) de leur collectivité territoriale en commune par exemple afin d’avoir une identité institutionnelle.

Tableau 2.2: Scénario pour améliorer le taux d’accès à l’électricité dans les zones rurales et urbaines en Afrique pour la période 2007-2050 [28]

Ils sont nombreux les problèmes qui freinent la mise de l´électrification rurale décentralisée au service d´un vrai développement durable au Cameroun. On a notamment :

– Documentation et disponibilité des informations, surtout la cartographie, la cartographie,

. Difficulté pour avoir à disposition des experts pour des installations,
. Taxation douanière exorbitante,
. Méconnaissance de nombreuses initiatives locales isolées à orienter,
. Manque de coordination entre tous les acteurs, surtout absence d´une ligne directrice à suivre par les acteurs privés.

2.2.2.1. Contraintes liées à la mise en place d’un projet d’ERD

Avant d’entamer une étude de projet d’ER, il importe ici que nous recensons tout d’abord les différents centres de production pouvant être utilisés dans le cadre de l’ERD.

Tableau 2.3 : différents types de centre de production pour l’ERD

Le Tableau 2.3 fait apparaître deux types de centres de production ; les centres utilisant principalement les énergies renouvelables (de [1] à [5]) et les centres utilisant principalement l’énergie fossile comme source de production (de [6] à [8]). Les différents exemples présentés dans le Tableau 2.4 montrent qu’il existe un nombre très important de configurations de centres de production, que ce soit pour les systèmes basés sur les GE ou les systèmes basés sur les EnR. Pour mieux cerner la problématique portant sur les projets d’électrification en zone rurale, il importe de définir les différentes parties prenantes. Les acteurs intervenant dans l’électrification d’une zone sont ainsi cartographiés en figure 2.12. Pour chacun de ces acteurs, nous avons défini les différentes fonctionnalités qui peuvent être attendues du réseau de distribution. Le tableau 2.4 regroupe les principales fonctions attendues par chacun de ces acteurs.

Figure 2.12: Cartographie des objets et des acteurs intervenant dans l’électrification rurale d’une zone [34]

Tableau 2.4 : Fonctions attendues par chacun des acteurs intervenant dans l’électrification rurale des Pays En Développement [34]

La figure 2.13 résume les caractéristiques principales de dimensionnement de deux types de centres Production d’Electrification Rurale Décentralisée (PERD) qui obeissent à une démarche méthodologique qui sera définie par la suite.

Figure 2.13 : Caractéristiques des deux types de centre de production envisagés pour l’ERD[34]

– Méthodologie de dimensionnement

La méthode de dimensionnement utilisée est la méthode dite « d’essai et d’erreur » ; il s’agit de tester un certain nombre de solutions potentielles jusqu’à l’obtention d’une solution adéquate. Pour cela, il est nécessaire de choisir les variables du problème (variation des paramètres), l’espace de recherche (limites de variation de ces paramètres), et la fonction objective (objectifs à atteindre) Figure 2.14.

Figure 2.14 : Descriptif d’un processus de dimensionnement par la méthode d’essai et d’erreur[34]

Pour dimensionner au mieux un centre de production pour l’ERD, Il est alors nécessaire de déterminer la combinaison des différents éléments de production (variables) minimisant son bilan actualisé (fonction objectif) sur la durée de l’étude (Figure 2.15).

Cette méthode choisie est adaptée pour dimensionner au mieux un centre de production pour l’Electrification Rurale Décentralisée. Il est alors nécessaire de déterminer la combinaison des différents éléments de production (variables) minimisant son bilan actualisé (fonction objectif) sur la durée de l’étude (D = 20 ans). Celui-ci est constitué par :

– les coûts d’investissement,
– les coûts de fonctionnement (maintenance, consommation en fuel, etc),
– les coûts de renouvellement.

Figure 2.15: Méthode de dimensionnement pour choisir l’équipement à installer pour une configuration prédéfinie de système ERD [34]

Pour déterminer les coûts horaires de fonctionnement de chacun des systèmes, nous effectuons une analyse temporelle du fonctionnement en discrétisant le temps (créneau d’une heure). L’équation de base représentant l’évolution du système est le bilan de puissance :

Dans ce cas, PCharge représente la charge vue depuis le centre de production (charge des clients plus les pertes dans le réseau de distribution BT). La détermination des différents vecteurs PGénérateur ( PGE , PEolien et PBatterie ) s’effectue grâce à la programmation du fonctionnement envisagé. On peut ainsi déterminer les différents coûts horaires de fonctionnement des éléments de production puis enfin en déduire les coûts actualisés du système.

– Choix du créneau horaire de dimensionnement

La taille de ces vecteurs (20 ans * 365 jours * 24 heures = 175 200 heures) est trop importante pour un calcul rapide ; il est donc nécessaire de le réduire. Pour cela nous devons faire des hypothèses sur une taille suffisamment représentative de ces paramètres. Pour la donnée d’entrée « charge », nous utilisons la courbe de charge moyenne, ainsi une évaluation sur 24 heures de la courbe de charge moyenne est suffisante.

Pour les éléments de production, la puissance fournie par les groupes électrogènes (PGE) sera une donnée de «sortie » à calculer du bilan de puissance. Par contre, pour les sources de production renouvelables, la puissance ( PEolien) est calculée implicitement grâce à la vitesse de vent disponible (donnée «d’entrée »). Il est cependant nécessaire de réaliser une hypothèse sur cette donnée d’entrée aléatoire. Trois niveaux d’hypothèses ont été considérés.

2.2.2.2. La planification énergétique intégrée outil de développement des CTDs

La planification d’un projet est un processus d’organisation du projet en fonction de l’analyse des problémes et des objectifs à atteindre (objectifs réalisés et réalisables pour apporter une solution aux problémes diagnostiqués). Compte tenu des différents modèles de planification existant, dans l’élaboration d’un projet d’électrification rural en particulier, le modèle de planification opérationnelle est le plus employé. Car il englobe les autres modèles dans sa réalisation et se définit à travers le Tab 2.5 ci-dessous.

La planification opérationnelle est une série de processus itératifs à définir (le quoi (les extrants), le qui (organisation et RH), le comment (logique d’exécution), le quand (calendrier), le combien (ressources financières)). La tâche étant le point central, tout le processus vise à assurer que chacune d’entre elles soit réalisée dans les meilleures conditions en accordant une attention particulière aux paramètres de temps, de coûts et de contenu.

Tableau 2.5 : Processus de planification Opérationnelle d’un projet

La planification est d’une importance capitale pour un projet, car il implique de réaliser quelque chose qui n’a jamais été fait auparavant. Il en résulte un assez grand nombre de processus. L’ampleur de l’effort de planification doit être proportionnée aux objectifs du projet et à l’utilité des informations produites. Les relations entre les processus de planification sont nombreuses. Ces processus sont soumis à de nombreuses itérations, avant l’achèvement du plan. La planification n’étant pas une science exacte, on distingue ainsi des processus principaux et ceux de soutien.

Les processus de planification principaux sont celles qui imposent leur élaboration dans un ordre identique sur la plus part des projets. Ils sont susceptibles de plusieurs itérations au cours d’une même phase de projet comme illustré dans la Fig 2.16.

Figure 2.16 : les principaux processus de planification

Les processus de planification de soutien connaissent leur interférence dans les autres processus mais dépendent de la nature du projet et se déroulent bien souvent de façon discontinue à la demande. Ils n’en sont pas pour autant facultatif, ce sont :

– La planification de la qualité – pour identifier quelles sont les normes de qualité applicables au projet, et déterminer comment les respecter ;
– La planification de l’organisation – pour identifier, rédiger et affecter les rôles, les responsabilités et les rapports hiérarchiques dans le projet ;
– L’obtention des ressources humaines – pour trouver les ressources humaines nécessaires et les faire affecter au projet ;
– La planification des communications – pour déterminer les besoins en information et en communication des parties prenantes : qui a besoin de quelle information, quand, et sous quelle forme ;
– L’identification des risques – pour déterminer quels risques peut encourir le projet, et établir les caractéristiques de chacun ;
– La quantification des risques – pour évaluer les risques et leurs interactions afin d’estimer la marge de déviations possible du projet ;
– L’élaboration des mesures de mitigation – pour définir les possibilités de profiter des opportunités et les parades aux menaces ;
– La planification des approvisionnements – pour déterminer ce qui est à acquérir, et quand ;
– La planification de l’invitation à soumissionner – pour établir la liste des fournitures nécessaires et la liste de leurs fournisseurs potentiels.

La planification constitue par définition l’élément central, le fil conducteur de toute stratégie de long terme, sans laquelle on ne peut envisager de résoudre durablement le déficit énergétique. La planification énergétique s’appuie sur un ensemble de techniques, de méthodes et d’outils d’aide à la décision visant à recenser les differentes offres en énergie électrique de la CTD afin de satisfaire la demande. Or tout défaut de planification peut conduire à mésestimer les investissements nécessaires, dans leur montant et/ou leur localisation, avec des conséquences à la fois douloureuses en termes d’équilibre financier de la filière et plus largement de potentiel économique.

La planification énergétique doit suivre cinq étapes principales :

1. Le traitement de l’information
2. La comptabilité énergétique
3. La modélisation de la demande
4. La modélisation de l’offre
5. Les études de tarification

La planification énergétique locale différente de celle nationale a pour objectif de proposer des stratégies en matière d’énergie sur une collectivité territoriale bien identifiée. Elle vise à renforcer l’utilisation optimale des ressources énergétiques locales, la recherche d’une efficacité accrue dans les processus de conversion de l’énergie, l’optimisation du coût des services pour l’usager final, l’amélioration de la qualité de l’air et la réduction des émissions de gaz à effet de serre. Pour son élaboration on procéde par la méthodologie de planification guidée par l’offre puis celle guidée par la demande. Par sa dimension prospective, l’étude de planification énergétique locale donne aux élus les moyens d’exercer leur responsabilité en matière de choix énergétique. Elle s’inscrit dans une démarche active de développement local.

a) méthodologie de planification guidée par l’offre

Cette planification est souvent segmentée en plusieurs exercices interdépendants, correspondant aux différentes composantes de l’infrastructure électrique :

– La planification des ressources (production) : celle-ci cherche à identifier les options à moindre coût permet -tant de satisfaire l’évolution de la demande dans le temps. Elle repose sur des outils d’optimisation complexes tels que le Wien Automatic System Planning Package (WASP) ou le Jiaotong Automatic System Planning Package (JASP).
– La planification du transport : peu pertinente pour l’électrification rurale dans la plupart des cas du fait des faibles puissances qu’elle engage.
– La planification de la distribution : s’intéresse à l’optimisation des lignes de distribution et aux emplace -ments des sous-stations, à l’aide d’outils de modélisation détaillés ayant pour la plupart une composante spatiale (calculs de transit, chutes de tension, contraintes de terrain…).

b) méthodologie de planification guidée par la demande

L’approche guidée par la demande est l’élaboration de « packages » technologiques permettant de cibler une demande particulière (santé, éducation, usages productifs, sécurité, confort…). Cette approche consiste à déterminer la pertinence technique et économique d’une solution à petite échelle, pour ensuite promouvoir sa réplication à grande échelle. L’étude s’appuie donc fréquemment sur des projets pilotes et des études de cas. L’objectif est ici de déterminer de façon pragmatique et opportuniste les meilleures options d’électrification avec un minimum de parti pris technologique (énergies renouvelables/fossiles, réseau/hors réseau) et idéologiques (centralisé/décentralisé), en se focalisant sur les usages les plus pertinents du service électrique en milieu rural.

.
Cette approche est donc fortement multisectorielle puisqu’elle sollicite les différents acteurs du développement rural ainsi que la (les) compagnie(s) d’électricité. La démarche générale consiste souvent à procéder en 3 étapes successives :

– Identifier les localités susceptibles d’être raccordées au réseau dans un avenir proche en concertation ou non avec les opérateurs du réseau ;
– Identifier les projets décentralisés à partir des ressources énergétiques (diesel, petites centrales hydroélectriques, biomasse, éolien etc.) et financières disponibles. Ces projets sont sélectionnés et hiérarchisés selon des critères d’impact potentiel sur le développement social et économique.
– Proposer des solutions d’ERD (PV, plateformes multifonctionnelles) pour assurer l’accès aux services énergétiques de base dans les localités restantes.

Lorsqu’une collectivité a en esprit son essor, cela constitue un projet. Et comme tous projets, celui-ci doit repondre à une suite de questions :

– pour quel résultat/objectif,
– pour quels benéficiaires,
– avec quels acteurs, des partenaires ou non,
– avec quels moyens,
– quels outils,
– quelle stratégie de mise en oeuvre ?

La présentation du cycle d’un projet se situe autour de diverses phases :

1) l’idée de projet
2) le diagnostic et l’identification des actions en vue de la préparation du projet
3) la planification et la programmation
4) la mise en oeuvre
5) le suivi et les bilans périodiques
6) l’évaluation finale

chaque étape renvoie à des questionnements, des démarches et outils spécifiques.

Comme pour la nation toute entière, les collectivités peuvent se doter d’un plan énergétique communal pour cela il importe que celle-ci soit dotée d’outils adéquat pour la formulation d’une politique de planification notamment le logiciels GEOSIM et MANIFOLD permettant :

– d’améliorer l’estimation de la demande d’électricité et la prévision de son évolution
– constituer un Système d’Information Energétique (SIE) communal
– Maîtriser l’évolution de la demande et améliorer l’efficacité des systèmes électriques Attirer l’investissement privé par des incitations financières équilibrées
– Promouvoir des solutions financières innovantes

Le Cameroun dispose d’un outil de développement du système énergétique exposé dans ses divers plans de développement du secteur de l’énergie. Grâce à la gamme complète de ses modèles de planification énergétique, l’AIEA propose des modèles de planifications énergétiques avec des outils associés à chacun.

Selon l’AIE, La planification énergétique intégrée est l’analyse systématique de tous les facteurs qui influencent l’évolution des systèmes énergétiques. Elle favorise le règlement des problèmes et permet de rechercher des liens, d’évaluer les avantages et les inconvénients des options et de comparer leurs conséquences, aidant ainsi les pays à élaborer une stratégie énergétique efficace qui concourt à la réalisation de leurs objectifs nationaux en matière de développement durable.

La planification énergétique intégrée permet aux pouvoirs publics de prendre en temps voulu et en connaissance de cause des décisions pour la gestion de l’offre et de la demande énergétiques. Elle permet :

– de comparer les options et de calculer les coûts et avantages des différents scénarios ;
– de recenser les options et d’évaluer leurs points forts et leurs points faibles ;
– d’étudier les contraintes, d’analyser les limites des structures actuelles ou futures (financière, stratégique, etc.) ;
– d’évaluer les effets possibles, et d’apprécier la possibilité de réussite sur le court et le long terme.

La construction d’un projet d’Electrification Rurale Décentralisé (ERD) devrais faire appel à un outils « Le cadre logique ». C’est un outil de présentation dynamique d’un projet très utilisé actuellement dans le milieu de la coopération international. C’est-à-dire :

. De planification et de programmation,
. De pilotage du projet,
. De suivi pour differents acteurs « ici et là bas »,
. Utilisable pour l’évaluation en cours et final (avec les indicateurs et les autres outils de suivi : missions, études de cas, interview, enquêtes…)

Bien qu’il soit élaboré au cours de l’étape de planification d’un projet, le cadre logique est un document vivant qui devrait être consulté et modifié tout au long de la durée du cycle de projet.

Le cadre logique ne montre pas chaque détail du projet. C’est une vue d’ensemble des facteurs clés. Les détails peuvent être donnés dans d’autres documents tels que la proposition, le budget et le calendrier d’activités qui accompagnent le cadre logique.

Le cadre logique pose une série d’autres questions (Annexe 9) :

a) Le lancement d’un projet part d’un diagnostic. Celui-ci partagé avec les partenaires de la collectivité territoriale du pays permet de se fixer des idées qui vont du plus général au plus spécifique :

– Les objectifs globaux (et même auparavant les finalités pour préciser les ambitions à plus long terme).
– Objectifs spécifiques : par exemple l’amélioration de l’approvisionnement en eau, l’électrification des villages, l’amélioration de la qualité de l’eau, amélioration de la répartition de l’eau.
– Les résultats attendus après la réalisation du projet d’énergétique : exemple l’approvisionnement en eau est elle régulier, la qualité de l’eau est stabilisée, tous les villages ont-ils accès à l’électricité, les villages ont-ils accès à l’eau.

b) Après le diagnostic, on envisage les actions pour arriver à ce résultat. Elles seront programmées chaque année avec un devis programme (détail des actions et programmation fine de ces actions). Par exemple pour améliorer l’électrification, le projet pourra développer les actions suivantes :

– Réduire le coût de branchement des ménages
– Faciliter l’accès aux panneaux solaire ou groupe électrogène
– Soutenir les financements des projets d’électrification rurale par les partenaires internationaux

c) Dans le cadre logique, chaque élément du projet : l’objectif général, l’objectifs spécifiques, les résultats attendus et éventuellement les actions font l’objet d’indicateurs pour apprécier la réalisation soit en cours de projet soit en fin de projet.

Dans la démarche du cadre logique il faut non seulement préciser des indicateurs mais également indiquer comment l’information pour renseigner cet indicateur est trouvée (source de vérification)

d) Enfin dans le cadre logique il convient de prévoir les risques qui pourraient contrecarrer le projet et les hypothèses sous jacente aux actions envisagées. Ainsi la participation financière des familles suppose que la production d’électricité actuelle se poursuive et que par exemple une foudre ne détruise pas les équipements électriques etc.…

Tableau 2.6 : cadre logique

Outils informatiques d’aide à la planification

Quelques exemples d’outils (dont les spécifications sont disponibles), sont fournis ci-dessous et regroupés en 3 catégories :

– Dimensionnement des options de production

Les outils de dimensionnement de systèmes énergies renouvelables ou hybrides sont nombreux. Parmi les plus diffu-sés, on trouve :

– HOMER (www.homerenergy.com or analysis.nrel.gov/homer/), développé par le National Renewable Energy Labo-ratory (NREL) aux Etats-Unis
– RETScreen (www.retscreen.net), développé par la Division Énergie Électrique et Renouvelable des Ressources na -turelles du Canada (NRCan)

– Calcul de réseaux

De même, de nombreux logiciels existent pour effectuer les calculs de dimensionnement et d’optimisation des réseaux électriques basse et moyenne tension.
Deux exemples de logiciels dédiés à l’électrification rurale (conception de plans locaux basse et moyenne tension avec options de production décentralisées) :

– LAP (www.systemseurope.be/products/lap.fr), développé par Systems-Europe/EDF.
– ViPOR (analysis.nrel.gov/vipor/), développé par le NREL.

– Planification territoriale

Si les outils dédiés aux études de conception et de faisabilité abondent, les outils de planification intégrés restent peu nombreux, sans doute du fait du caractère non systématique des méthodologies utilisées, et d’une faible demande en plans d’électrification rurale faciles à mettre à jour.

Quelques exemples d’outils permettant d’effectuer une planification à long terme sur un territoire donné :

– «Electrification Planning Decision Tool », développé par Rural Areas Power Solutions (RAPS)
– LAPER, Logiciel d’Aide à la Planification d’Électrification Rurale développé par EDF R&D et Systems Europe (www.systemseurope.be/products/laper.fr.php), ;
– SOLARGIS, Integration of renewable energies for electricity production in rural areas (www-cenerg.cma.fr/~st/solargis/), développé par le Centre d’Énergétique (CENERG) – ARMINES (France) ;
– ENERGIS, Planificácion Energética Regional utilizando tecnologia GIS, développé par l’INESC (Instituto de Engen -haria de Sistemas e Computadores, http://www2.inescporto.pt/);
– LEAP (www.energycommunity.org/default.asp?action=47), développé par le Stockholm Environment Institute de Boston ;
– GEOSIM (www.geosim.fr), développé par Innovation Énergie Développement (IED).

La planification des réseaux de distribution à travers un systéme de planification d’ER (Tab 2.6) est une méthode permettant d’analyser de manière technico-économique le développement des réseaux. L’électrification de sites isolés dans les régions en développement constitue un marché potentiel pour les systèmes d’énergie photovoltaïque et petites centrales hydroélectiques. Toutefois, si ces systèmes ont été largement étudiés et améliorés au cours des deux dernières décennies, leur développement à une échelle significative ne sera possible que dans la mesure où l’on aura une idée claire du marché qui leur est ouvert en termes de compétitivité technico-économique.

Or, la plupart des analystes classiques mettent en doute leur rentabilité économique, la mobilisation du capital nécessaire à l’investissement initial est présentée comme un obstacle rédhibitoire. Aussi, l’utilisation de ces systèmes d’énergie dans les sites isolés suppose une analyse préalable des conditions d’installation tant au point de vue technique que vis-à-vis de l’environnement.

Au Cameroun l’installation des systémes de production d’énergie repose sur les points suivants :

– Elle sera basée sur le Plan directeur de l’Electrification Rurale de 15 ans, à actualiser tous les 5 ans par le MINEE en vue d’identifier des programmes prioritaires par un Comité de planification de l’ER (COPER) et s’organise comme suit :
– La combinaison de deux types de planification est à adapter en fonction de l’échelle des zones à électrifier dont le but est d’optimiser les projets et programmes d’électrification rurale.
– L’amélioration des conditions de vie des populations dans les domaines de la santé, de l’éducation, de l’agriculture, de l’hydraulique rurale, de la promotion du genre et principalement des activités génératrices de revenus passe par les OMD.
– La déclaration du millénaire en septembre 2000 qui a défini les OMD, milite pour l’aide financière, le renforcement des capacités et le transfère de technologiques que les pays développés peuvent apporter aux divers projets des pays les moins avancés.
– En outre, l’atteinte de ces objectifs via l’ER impose un esprit d’anticipation, de collaboration, de concertation avec d’une part les partenaires privés, et d’autre part avec tous les partenaires au développement au niveau national (communes) et au niveau international [31].

Tableau 2.7 : système de planification pour une électrification rurale

2.2.2.3. Calculs économiques d’ investissements énergétiques

a) Coût des systèmes photovoltaïques

Le calcul du coût d’un système photovoltaïque requiert la connaissance des éléments suivants :

– la durée de vie,
– l’investissement initial,
– les coûts de maintenance annuels relatifs au système photovoltaïque,
– les coûts de remplacements des différents sous systèmes,
– les profits réalisés.

L’investissement initial permet à l’utilisateur de savoir quel est le prix qu’il va devoir payer lors de l’installation de son système. Aussi, d’autres informations très importantes constituent des critères de choix, à savoir :

– Le coût du système photovoltaïque sur sa durée de vie,
– Le coût de l’énergie consommée par l’usager sur toute sa durée.

Le coût du kWh consommé dépendra des profits engendrés mais également de l’énergie photovoltaïque consommée par l’utilisation.

b) Choix des investissements

L’investissement mobilise très souvent d’importants moyens financiers. Cette situation implique qu’un investissement ne peut se réaliser sans une étude préalable entraînant des hypothèses et des choix [3, 6].

b-1) Les conditions du choix

Le processus décisionnel en matière d’investissement comporte deux phases impératives :

– Evaluation du coût de l’investissement lui-même,
– Evaluation de l’exploitation sur la durée de vie du système.

La première phase consiste à évaluer le montant de l’investissement du système, mais également le besoin en fond de roulement d’exploitation. La deuxième phase consiste à simuler dans le temps, l’exploitation de l’investissement réalisé (chiffre d’affaire, charges,….).

b-2) Les méthodes financières du choix

Il existe plusieurs méthodes financières permettant le choix. Parmi elles, deux les plus couramment utilisées :

– Méthode de la valeur actuelle nette ou VAN,
– Méthode du taux de rentabilité interne ou TRIE.

La Valeur Actuelle Nette repose sur la comparaison entre le capital investi et la valeur actuelle des cashflows dégagés par le projet. La détermination de la VAN d’un investissement appelle les étapes suivantes :

– Fixer le capital investi (I),
– Faire la somme des cash – flows actualisés nets

Si a < r, le bénéfice est positif, ce qui donne un investissement rentable
Si a > r, le bénéfice est négatif, ce qui donne un investissement non rentable.

Après une étude économique permettant de motiver l’investissement, il importe de procéder à la gestion sur le terrain du projet. La conduite de projet est une démarche visant à structurer, assurer et optimiser le bon déroulement d’un projet. Gérer et animer un projet c’est d’abord savoir en négocier l’objectif mais aussi mettre en oeuvre les compétences et outils de l’analyse fonctionnelle, de planification (WBS, PERT, Gantt), gérer le budget disponible, maîtriser des risques, animer et motiver une équipe-projet tout cela en conciliant les intérêts du maitre d’ouvrage et des parties prenantes. Les livrables doivent être clairement définis pour un résultat conforme à des normes de qualité, pour le moindre coût et dans le meilleur délai possible.

La Fondation Énergies pour le Monde a mené des enquêtes détaillées auprès de la population pour connaître les besoins et moyens des futurs abonnés. Les ménages utilisent des équipements rustiques pour assurer leur confort énergétique : bougies et lampes à pétrole pour s’éclairer, piles pour alimenter une radio ou des torches électriques. Les durées journalières d’éclairage sont en moyenne de 5 h, en général tôt le matin et entre 18 et 22 h le soir.

Le montant moyen des dépenses énergétiques substituables par l’électricité est de 9 €. Les ménages ont donc la capacité de payer un service électrique.
La tarification doit répondre à un double impératif : être accessible à la population et assurer la pérennité du projet. Elle est segmentée en trois types d’abonnés :

– secteur domestique, avec 4 niveaux de services. Une tarification au forfait mensuel est préconisée, allant de 2 € à 9,2 € en fonction du service choisi ;
– secteur social (centres de santé, écoles, bâtiments administratifs, éclairage public) ;
– secteur économique (micro-entrepreneurs, artisanat).

« La solution photovoltaïque individuelle retenue pour le programme favorise le paiement de l’électricité au forfait, puisque pour chaque niveau de service, la consommation est limitée et connue. Ce système facilite de plus la gestion pour l’exploitant. »

– La rentabilité pour l’exploitant

Dans les projets d’accès à l’électricité en milieu rural, il est habituel de mener une analyse économique sur une durée de 20 ans. Ce choix est lié notamment à la durée de vie des équipements de production (20 à 30 ans). L’analyse économique prend aussi en compte un taux d’actualisation réel de 5 %, les coûts et recettes ainsi que les amortissements et impôts sur le bénéfice.

À partir de l’estimation des coûts et des revenus, il est possible d’analyser les cash-flows générés sur 20 ans et la rentabilité de l’opération. Seule la rentabilité économique est calculée, c’est-à-dire qu’il n’est pas tenu compte du montage financier (emprunts, fonds propres) permettant de financer la part d’investissement non subventionné.

Dans ce secteur nouveau et considéré comme risqué, un retour sur investissement significatif est un élément important pour convaincre des acteurs privés de s’engager.

L’hypothèse retenue, après consultation d’opérateurs privés déjà en activité, est donc de viser un taux de rentabilité interne (TRI) de 10 % sur 20 ans pour l’exploitant et de 6,5 % pour l’ensemble des investissements privés.

– Critères d’évaluation

Comme critère de base d’évaluation, nous avons utilisé une méthode d‘analyse qui est basé sur le calcul du TEC. Ce critère est bien connu et appliqué généralement par les économistes spécialistes des énergies renouvelables. Il permet de procéder de façon fiable et rapide aux analyses économiques (non financières) préalables des projets d’investissement industriels, particulièrement dans le domaine de l’énergie. TEC veut dire Taux d‘Enrichissement en Capital et il est un index du profit par unité de capital investi.

La définition générale du TEC est comme suit :

Les hypothèses économiques suivantes sont intégrées dans l’analyse :

– Durée d‘observation de 30 ans : cette période couvre les temps de vie de toutes les composantes, en particulier des principales composantes comme les panneaux photovoltaïques, et sert à comparer les niveaux de rentabilité attendues entre les concessionnaires des Programmes Prioritaires d’Electrification Rurale (15 ans).
– Cash-flow non-constant : nous avons assigné uniquement dans les périodes réelles de renouvellement les coûts des composants qui sont nécessaires. Par exemple, les batteries sont renouvelées tous les huit ans et les onduleurs et régulateurs tous les dix ans.
– Influence de l’inflation de 2% sur le relèvement annuel des coûts des composantes et tarifs de paiement.
– Taux d‘actualisation nominal de 10%, qui permet d’estimer la valeur actuelle du capital à acquérir ou dépenser dans le futur, et l’analyse de sensibilité des résultats pour les taux entre 2% et 15%. 10% est normalement pris comme le taux d’intérêt moyen réel pour le financement des fonds propres et emprunts.
– Augmentation annuelle du coût du combustible de 4%: les statistiques historiques de l’IEA montrent que le prix du pétrole a augmenté de manière extrême dans les 4 dernières années de 17 USD/bbl (2002) à 45 USD/bbl (2005). Pour maintenir un scénario réel, qui soutient que les combustibles fossiles seront plus rares et pour tant son prix deviendra plus cher, nous avons utilisé un 4% en augmentation des prix de combustibles (voir la graphique suivant, 18USD/bbl en 1995 vers
25USD/bbl en 2003).

Entre les calculs d’annuités et le déroulement de cash flow dans cette étude, il résulte plus intelligent d’analyser les projets selon le cash flow. Le cash flow montre les avantages suivants : il permet d’intégrer l’augmentation du prix de combustibles séparément de l’inflation et il facilite la visualisation de la démarche du projet sur les temps du projet. De cette manière, le cash-flow aide les investisseurs à planifier les périodes où les dépenses attendues. Par exemple quand le financement additionnel est requis pour le renouvellement des composants spéciaux.

En suite, la définition des critères économiques qui ont été utilisées dans différents partis de cette étude.

– La Valeur Actuelle Nette (VAN) : cette valeur est un critère classique de faisabilité économique.

Dans notre approche d’évaluation la VAN sert à calculer le TEC. La VAN d’un projet est la somme des cash-flows annuels actualisés, de l’année zéro à l’année n. Le cash-flow concerne les comptes de flux monétaires, qui se calculent avec la différence entre les recettes et les dépenses de chaque année. L’investissement (I) se réalise durant la période zéro. L’équation utilisée est :

Le Taux d’Enrichissement en Capital (TEC) : il est un outil de choix des projets les plus rentables. Ce critère traduit l’efficacité des fonds investis, en termes de génération de VAN, puisque il ne considère pas seulement la valeur nette de capital générée, mais aussi les avantages des projets qui requièrent moins d’investissement. A partir de la valeur du TEC, il est possible de calculer simplement le TRI (taux de rentabilité interne), le TRA (temps de retour actualisé) et le TRB (temps de retour brut) des projets ainsi que les niveaux de subventions éventuels pour que le projet atteigne un niveau de rentabilité économique donné.

Ainsi, un projet est rentable si son TEC est supérieur à zéro. Le TEC optimal d’un projet d’énergies renouvelables sans combustibles (ou sans coûts variables) doit être égal à au moins 0,3 ou 0,4. Cette valeur vient de la liaison entre le TEC et « la marge sur le prix de revient » : un TEC de 0,3 correspond à un 20% de marge entre le prix de vente et le prix de revient, qui est considéré comme le minimum nécessaire pour une stratégie industrielle et commerciale pérenne. Pour les investisseurs le TRI, est un critère de rentabilité plus connu. Pour cette raison, il est aussi important comprendre sa relation avec le TEC. Le TRI est tiré de la condition VAN = zéro, qui est la valeur du taux d’actualisation rendant nulle la rentabilité d’un projet. Pour qu’un projet soit rentable, son TRI doit être supérieur au taux d’actualisation. Par exemple, pour un TRI de 11%, qui est considéré actuellement par beaucoup des investisseurs privés comme la rentabilité minimale d’un projet, on peut voir que le TEC est de 0,35, ce qui correspond à une marge sur le prix de revient de 25%.[5]

Si le TEC est négatif ou est au dessous du niveau attendu, les subventions (Si) à l’investissement initial nécessaires pour obtenir la valeur de tel TEC attendu sont calculés comme suit (voir démonstration mathématique dans les annexes) :

Il est important remarquer que les projets avec un TEC actuel inférieur à -1 ne peuvent jamais être rendus rentables par des subventions à l’investissement initial, même à 100%. Dans ce cas, les subventions doivent être complétées par des subventions à l’exploitation [5].

– Le Coût Global Actualisé (CGA) : ce critère sert à la comparaison du coût des alternatives décentralisées et du coût de raccorder un village au réseau. Le CGA d’un bien ou d’un service est par définition le ratio entre la somme des dépenses actualisées relatives au projet, de l’année zéro à l’année n, et la somme des productions actualisées, elles aussi de l’année 1 à l’année n [5]. Les dépenses comprennent l’investissement (I), l’exploitation (Cexploitation), la maintenance (Cmaintenance) et le remplacement (CR) périodique des gros composants.

– Coût de l’électrification des foyers ruraux

Selon le cabinet d’étude Sun Light Power Maroc une étude réalisée par le Ministère de l’énergie et des Mines et ses partenaires, les foyers ruraux non connectés au réseau utilisent : du gaz, du pétrole lampant, des bougies pour assurer leur besoin d’éclairage, des piles sèches pour alimenter les radiocassettes et des batteries de voiture rechargée au village le plus proche, généralement situé à une distance entre 2 à 15 km pour alimenter les téléviseurs. Ce cas qui fait référence aux foyers ruraux au Maroc n’est pas si différent de ceux de l’Afrique sub-saharienne à l’occurrence les pays de l’Afrique centrale particulièrement le Cameroun.

L’importance relative de ces précédentes sources d’énergies diffère d’une région à l’autre. Des sources d’énergie comprises entre deux à trois mises en parallèles sont utilisées selon les combinaisons et généralement déterminées par le prix et la disponibilité dans la région pour alimenter les foyers ruraux.

La dépense de consommation énergétique des foyers ruraux est estimée à 85€/an/foyer, soit 7€/mois/foyer sans prendre en compte l’investissement en matériel d’usage. En prenant en compte l’amortissement du matériel, le budget annuel total sera de 120€/an/foyer.

En prenant l’hypothèse que l’Etat Camerounais subventionne les systèmes d’électrification par PV, PCH au sein d’une Direction des énergies renouvelable pas encore existante, ou bien des opérateurs privés actifs très impliqués dans le secteur offrent leur service et se voient soutenus par l’Etat. La dépense annuelle pour l’acquisition d’un kit PV standard de 50Wc ,4 lampes sur le marché en payant comptant ou en location serait de 180€/an/foyer par exemple. Si on note (a) taux d’actualisation,(D) les dépenses mensuelles en consommables énergétiques et (T) la durée de vie de l’équipement exprimée en nombre de mois, l’investissement maximal (I) est donnée par la formule :

CONCLUSION

Au terme de cette analyse de ces deux modes de production de l’énergie électrique à savoir centralisée et décentralisée, on constate que le développement de l’un par rapport à l’autre est fonction de la politique du pays, des moyens de financement dans le secteur énergétique et de la quantité de ressources que le pays pourrait disposer dans le domaine des Energie rénouvelables. Mais il importe de constater que dans la mise en place d’une politique de gestion de collectivités territoriales, les gouvernements doivent s’attelés à faire tous liés à politique choisie car le faite de voir celle-ci être appliquée dans un secteur de croissance économique et non dans l’autre, cela ne rassure point la recherche de la lutte de la pauvreté en milieu rural.

L’efficacité de la production décentralisée est directement dépendante de l’évolution des réseaux de transport d’énergie intelligents de type Smart grid, capables de gérer la variété et la variabilité des sources. En l’état actuel de la technique, la production décentralisée présente, par rapport à la production centralisée, les caractéristiques suivantes :

Avantages : Possibilité d’alimenter en électricité des sites de consommation très éloignés du réseau existant, et dont les consommations ne justifient pas des installations de production de forte puissance. Valorisation de sources d’énergie primaire fatale (solaire, éolien) ou dérivée (chaleur produite à d’autres fins)

Autonomie partielle du système local en cas d’incident majeur sur le réseau.

Inconvénients : Participation faible ou nulle au réglage de la fréquence et de la tension du réseau électrique. Faible capacité à participer à la reconstitution du réseau, risque d’îlotage non maîtrisé (un générateur décentralisé, qui se trouve déconnecté du réseau principal et qui continue à alimenter des charges, forme un îlot avec sa charge. On parle alors d’îlotage). Pour certaines énergies comme l’éolien ou le solaire, forte intermittence, faible prévisibilité, commandabilité faible ou nulle.

Aspects économiques et financiers : Les énergies décentralisées sont bien adaptées pour approvisionner les sites difficilement raccordables au réseau (sites isolés en montagne, îles…). Cependant, en l’état actuel de la technique, ces modes de production ont une rentabilité plus faible que les équipements de grande taille, pour les zones bien interconnectées au réseau. Pour celles de ces énergies qui s’appuient sur une énergie primaire renouvelable (éolien, solaire, hydraulique), les gouvernements de la plupart des pays développés mettent en place des dispositifs d’aide dont le coût est supporté par les usagers du système électrique.

Page suivante : DEUXIEME PARTIE : modernisation du reseau électrique camerounais pour une production électrique favorable a la croissance économique des collectivités territoriale décentralisées (CTDs).

Retour au menu : STRATEGIE DE CROISSANCE DES UNITES TERRITORIALES DU CAMEROUN, PRODUCTION DECENTRALISEE D’ELECTRICITE