Deux compresseurs à haut débit dans le local compresseur (cargo roof) sont utilisés pour la régulation de la pression des cuves pendant le chargement de navire ou pour des opérations spéciales notamment avant et après l’arrêt technique pour la préparation des cuves en vue de l’inspection :
– Le retour des vapeurs de gaz pendant la mise sous gaz :
Après un arrêt technique où les cuves sont sous air, ces dernières nécessitent plusieurs préparations avant le chargement de GNL.
La première étape consiste à l’inertage et au séchage des cuves et de toute la tuyauterie. Elle a pour but de réduire la teneur en oxygène (éviter une atmosphère explosive) et la teneur en humidité des citernes et des systèmes de transfert associés. Le séchage permet de prévenir la formation de cristaux de glace lors de la mise en froid ultérieure (environ 400 kg de glace pour un volume de 30 000 m3 d’air), ces cristaux pourraient bloquer les pompes de déchargement et les vannes ou obturer les conduites des appareils de contrôle.
La deuxième étape est la mise sous gaz des cuves. Elle a pour but de remplacer le gaz inerte par de la vapeur chaude de GNL car le gaz inerte notamment le CO2 pourrait se condenser à basse température et produire les mêmes effets néfastes que l’humidité de l’air. Le terminal fournit du gaz liquide, ensuite il est regazifié et réchauffé à température ambiante par un réchauffeur dédié (Main Vaporiser). Le gaz chaud est introduit dans les cuves par le haut (principe du piston gazeux). Le gaz inerte est extrait par la partie basse puis renvoyé vers le terminal par le compresseur HD ou par circulation naturelle.
– Le retour des vapeurs de gaz pendant la mise en froid (Cooldown) :
C’est l’étape après la mise sous gaz, son but est de réduire la température dans les cuves et les systèmes de transferts associés afin de limiter les contraintes thermiques. La descente en température suit une courbe bien précise définie par le constructeur des citernes. Le taux de descente en froid est de 10° par heure environ. La mise en froid est réalisée par pulvérisation et vaporisation en haut des cuves de GNL fourni par le terminal. La vaporisation est effectuée grâce à la chaleur cédée par le gaz contenu dans la cuve. Les vapeurs sont renvoyées à terre par le compresseur HD.
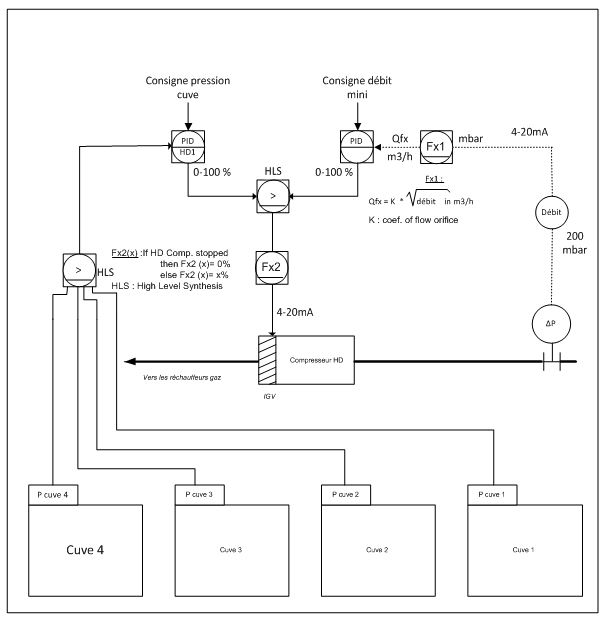
– Le retour des vapeurs de gaz vers la terre pendant le chargement :
Pendant le chargement, le terminal refoule par ses propres pompes du GNL vers les manifolds à partir desquels la cargaison est repartie sur les cuves. Durant cette opération, la pression cuve augment rapidement suite au volume déplacé par le GNL chargé et aux vapeurs produites par l’agitation du produit. Les compresseurs HD aspirent depuis le collecteur vapeur et renvoient vers la terre via la ligne de retour gaz. En général ces évaporations sont brulées par des torchères.
– Le réchauffage des cuves par la circulation des gaz chauds :
Le réchauffage des cuves est une opération effectuée généralement pour la préparation du navire pour l’arrêt technique. Elle est préalable au dégazage, elle permet d’une part d’évaporer de GNL impompable, d’autre part de porter la température des cuves à la température ambiante. Le réchauffage est effectué par circulation de gaz chaud dans les citernes à l’aide des compresseurs HD. Le gaz chaud est introduit dans la partie basse des cuves pour favoriser l’évaporation. L’excédent de gaz est brulé par l’Oxidizer, ou renvoyé au terminal si le navire est au port.
Le fonctionnement du compresseur nécessite une procédure systématique pour veiller à ce qu’une quantité suffisante et constante d’huile de lubrification soit disponible, que le système de gaz d’étanchéité (joint gaz) est opérationnel et que l’évolution de la pression cuve nécessite la mise en route du compresseur.
Exemple de procédure de démarrage d’un compresseur HD :
– Vérifier le niveau d’huile dans le carter du compresseur.
– Mettre le réchauffeur huile environ 30 minutes avant le démarrage. Cette durée peut varier et est dépendante de la température ambiante.
– Vérifier l’ouverture de vanne d’alimentation d’azote pour le joint gaz.
– Vérifier l’ouverture des vannes d’aspiration et de refoulement du compresseur.
– Mettre en service la pompe de pré-graissage.
– Disposer le circuit de réfrigération d’huile.
– Disposer l’air de contrôle.
– Mettre la consigne d’IGV sur 0%.
– Réinitialiser et armer les alarmes sur le tableau de commande.
– Vérifier la disponibilité d’une marge de puissance électrique suffisante sur les groupes électrogènes.
Après cette multitude de vérification, le voyant «prêt à démarrer » s’allume indiquant que le compresseur est prêt à démarrer. Le démarrage peut alors être effectué en local ou du PC cargaison.
Après le démarrage du compresseur plusieurs paramètres doivent être surveillés pour s’assurer de la bonne marche du compresseur :
– La pression différentielle de joint gaz (Seal Gas) qui doit être entre 0,1 et 0,2 bar.
– La pression de graissage entre 2 et 2,5 bar.
– Température d’huile de graissage qui doit être supérieure à 30°C.
Les deux compresseurs peuvent être utilisés au même moment, cependant sur certaines installations un compresseur est maître et le second esclave. Une fois que le premier compresseur est démarré soit en mode manuel, soit en mode automatique, le deuxième compresseur peut être démarré. Cependant, l’esclave doit être placé en mode automatique. Le réglage des paramètres pour les compresseurs HD est seulement nécessaire sur le maître. Le compresseur esclave suit automatiquement les modifications apportées au premier.
Fig. 2.4 : Régulation pression cuve par compresseur HD pendant le chargement.
Page suivante : II. 2 Le rôle des compresseurs LD
Retour au menu : LES COMPRESSEURS A GAZ A BORD DES NAVIRES METHANIERS

